| Sign In | Join Free | My spintoband.com |
|
Model Number : SWT-256M
Certification : CE
Place of Origin : China
MOQ : 1 pc
Price : Negotiable
Payment Terms : L/C, T/T, Western Union, PAYPAL
Supply Ability : 2000 sets / Month
Delivery Time : as confirmed
Packaging Details : suite for export package
Brand Name : Junqi
Product Name : Stepper Motor Controller
Suitable For Motor Type : 2-phase Stepping Motor 57mm~86mm
Control : Sine-wave Current Control
Using Request : Low Noise, Hingh Accuracy Control
Application : Stepping Motor,electronic Processing And Testing, Semiconductor Packaging
DIP Switch : 8
High precision 2-phase stepping motor driver,use to laser cutting and welding, laser printing, packaging machinery
SWT-256M
Stepper Motor Driver
I. Overview
SWT-256M stepper motor driver applied advanced pure sine Precision Current control technology with high-performance subdivision. The pure sine precise current control technique can improve the operation effect close to the servo motor level.
This drive also has fine subdivisions, small volume, a variety of protection can be automatic half flow and other functions. The operation voltage can be reach to 40VDC.
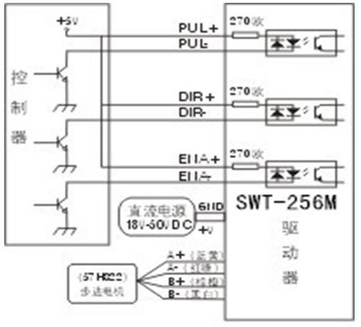
2: Wiring instructions
1. P1 Weak current signal wiring
| Signal | Function |
| PUL+(+5V) | pulse signal: Pulse rising effective; PUL-:High-level 4-5V,Low-level 0-0.5V, Pulse width more than 1μS for more reliable response. connect resistor for current-limiting if input +12V or 24V |
| PUL-(PUL) | |
| DIR+(+5V) | direction signal: its High-level/Low-level signal, For reliable motor response, the corresponding motor direction is needed,. The direction signal should be established prior to the pulse signal at least 5μs, The initial direction of the motor is according to the wiring, interconvert any two phases position (e.g., A +, A - exchange) can change the initial direction of the motor, DIR -: 4-5 V high-levels, low- level: 0-0.5 V |
| DIR-(DIR) | |
| ENA+(+5V) | enable signal: the input signal is used to enable/disable,, High-levels: enable, Low-levels: disable. please connect ENA+and ENA- for normal use, disconnection is auto-enable mode |
| ENA-(ENA) |
2. P2 Strong current wiring
| Port | Function |
| GND | DC GROUNDED |
| +V | DC positive pole:+30V-+40V,recommended value +36VDC |
| A+,A- | Motor A Phase. interconvert A+,A-, can change the direction of motor. |
| B+,B- | Motor B Phase. interconvert B+,B-, can change the direction of motor. |
3. Overall size and installing.



4. Current, subdivision DIP switch setting
1. Working(dynamic)current setting
| Peak I | Average I | SW1 | SW2 | SW3 |
| 1.4A | 1.0A | OFF | OFF | OFF |
| 2.1A | 1.5A | ON | OFF | OFF |
| 2.7A | 1.9A | OFF | ON | OFF |
| 3.2A | 2.3A | ON | ON | OFF |
| 3.8A | 2.7A | OFF | OFF | ON |
| 4.3A | 3.1A | ON | OFF | ON |
| 4.9A | 3.5A | OFF | ON | ON |
| 5.6A | 4.0A | ON | ON | ON |
2. Subdivision setting
subdivision accuracy setting: SW5—SW8
| Subdivision multiple | Step/circle (1.8°/step) | SW5 | SW6 | SW7 | SW8 |
| 2 | 400 | OFF | ON | ON | ON |
| 4 | 800 | ON | OFF | ON | ON |
| 8 | 1600 | OFF | OFF | ON | ON |
| 16 | 3200 | ON | ON | OFF | ON |
| 32 | 6400 | OFF | ON | OFF | ON |
| 64 | 12800 | ON | OFF | OFF | ON |
| 128 | 25600 | OFF | OFF | OFF | ON |
| 5 | 1000 | ON | ON | ON | OFF |
| 10 | 2000 | OFF | ON | ON | OFF |
| 20 | 4000 | ON | OFF | ON | OFF |
| 25 | 5000 | OFF | OFF | ON | OFF |
| 40 | 8000 | ON | ON | OFF | OFF |
| 50 | 10000 | OFF | ON | OFF | OFF |
| 100 | 20000 | ON | OFF | OFF | OFF |
| 125 | 25000 | OFF | OFF | OFF | OFF |
(2) Static current setting
Static current can be set by SW4,"OFF" means static current is half of dynamic current, ,"ON "means static current is same as dynamic current
Our SMT prodction:


|
|
57mm 86mm 2 Phase Stepper Motor Driver Controller For Laser Printing Equipment Images |